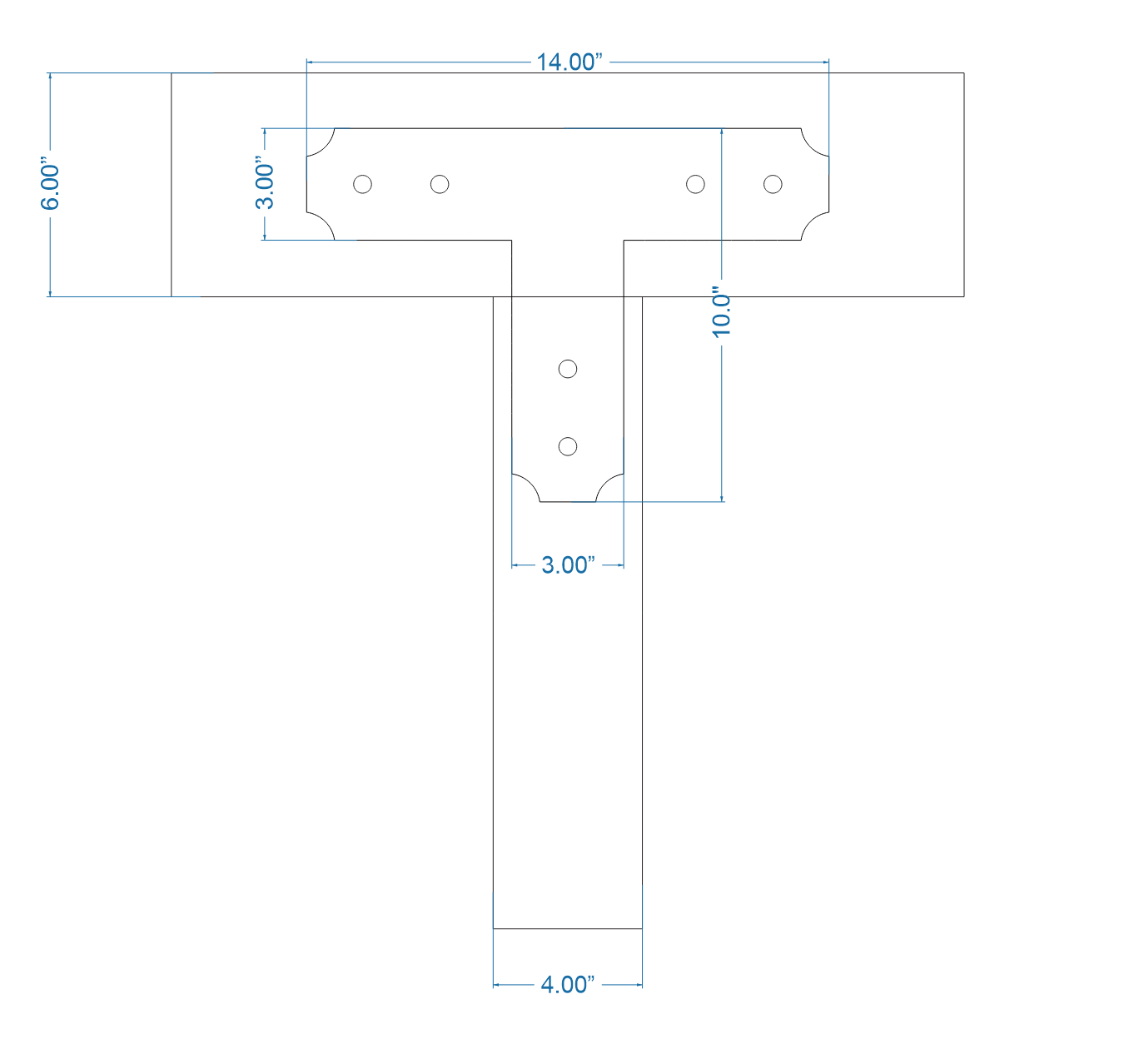
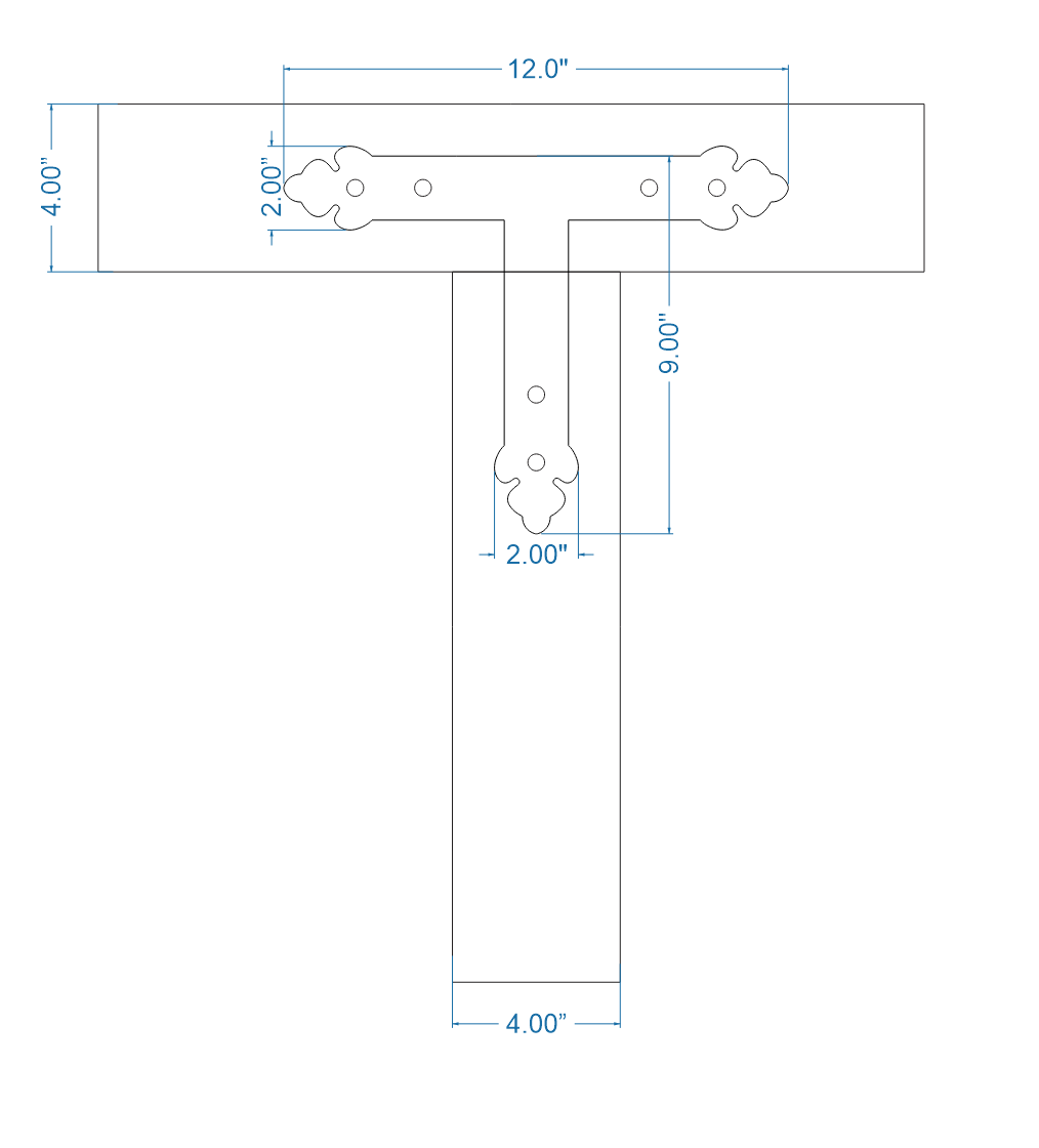
T Plates

Our Iron T Plates are rugged, hand-forged metal brackets designed for timber trusses, post-to-beam connections, and other critical structural applications. These heavy-duty T-shaped plates offer both decorative character and load-bearing strength, making them ideal for exposed woodwork in timber frame homes, barns, and architectural trusses.

T Plates are commonly used to connect a vertical post to a horizontal beam, and can also be installed upside down to secure a king strut to a bottom beam at the center of a truss. Each plate is crafted from thick, durable iron and is available in all of our signature hammered textures and patina finishes to match your project’s aesthetic.

  • Available sizes: 12" x 8" to 27" x 21"

  • Custom sizes and layouts available upon request

  • Fasteners sold separately

  • For structural applications, we strongly recommend through-bolting with ½" or larger fasteners

  • Clavos not recommended for overhead or load-bearing installs

For custom sizes, finish combinations, or engineering support, please contact us at office@oldwestiron.com.

T-Plates – Collection FAQs

1. What are T-plates used for?
T-plates reinforce 90-degree joints in beams, posts, furniture, gates, and timber-frame structures. They help secure two intersecting pieces of wood or metal while adding a clean, architectural iron detail.

2. How are your T-plates different from standard hardware-store brackets?
Old West Iron T-plates are crafted from thicker steel with cleaner cuts, heavier construction, and hand-applied textures. Unlike thin stamped brackets, our pieces provide true structural support and Old World forged character.

3. How do I choose the right size T-plate for my project?
Match the plate size to the scale of your joint. Longer arms suit large beams or posts, while smaller T-plates are ideal for cabinetry and furniture. Always confirm that your bolt or screw size matches the hole diameter.

4. What finishes and textures are available?
T-plates are offered in matte black, natural iron, oil-rubbed bronze, and hand-distressed finishes. Hammered, peened, and antique textures are applied in-house so your plates coordinate with our straps, bolts, and rustic hardware.

5. Are these T-plates hand-forged?
The plate bodies are precision-cut for uniform strength, while edges, surface textures, and finishes are hand-worked by our American blacksmiths. This creates the authentic, Old World look expected from true wrought-iron hardware.

6. What are the lead times and where are they made?
Most T-plates ship within 1–10 business days, depending on size and finish. All decorative and custom-finished pieces are made or finished in the USA at our Idaho forge.

(0)

Ab $74.00

(0)

Ab $74.00

(0)

Ab $74.00

(0)

Ab $74.00

(0)

Ab $89.00

(0)

Ab $74.00

(1)

Ab $74.00

(0)

Ab $78.00

(0)

Ab $93.00

(0)

Ab $93.00

(0)

Ab $82.00

(0)

Ab $89.00

(0)

Ab $76.00

(0)

Ab $74.00

(0)

Ab $82.00

(0)

Ab $93.00

(0)

Ab $78.00

(0)
$54.00 $97.00
-44%
(0)
$53.00 $82.00
-35%
(0)
$36.00 $65.00
-45%
(0)

Ab $93.00

(0)

Ab $82.00

(0)

Ab $82.00

(0)

Ab $82.00

(0)

Ab $76.00

(0)

Ab $76.00

(0)

Ab $74.00

(0)
$119.00 $133.00
-11%
(0)
Ab $108.00 $120.00
-10%
(0)

Ab $74.00

Angezeigt werden 30/55